О компании
Лизинг
Контакты
8-800-700-85-38
Жду звонка
Наш менеджер свяжется с вами в ближайшее время и ответит на все интересующие вопросы
О компании
Лизинг
Контакты
8-800-700-85-38
Жду звонка
Наш менеджер свяжется с вами в ближайшее время и ответит на все интересующие вопросы

Навесное плужное оборудование для КДМ

Отвал универсальный Шторм-П

Отвал универсальный (комбинированный) для КДМ Шторм-П

Основные характеристики Шторм-П
Длина
отвала
4 130 мм
Высота
отвала
1 600 мм
Ширина
обработки
до 3,6 м
Угол
поворота
45°
Рабочая
скорость
до 60 км/ч
Отвал универсальный комбинированный Шторм-П — это высокопроизводительное навесное оборудование, разработанное для очистки дорожного полотна от снега на городских улицах, дорогах поселков и трассах.

Его преимущества выражены в конструктивном исполнении и высоких эксплуатационных характеристиках:
  • Рабочая полоса до 3,6 м, что позволяет за один проход эффективно очищать широкие участки дороги;
  • Угол поворота 45°, превосходящий у многих конкурентов, обеспечивает отличную манёвренность вдоль бордюров и ограждений;
  • Скорость до 60 км/ч позволяет использовать отвал на дорогах с высокой нормативной скоростью, что ускоряет обслуживание;
  • Плавающее крепление ножей защищает конструкцию и снижается риск повреждений при наезде на препятствия до 12 см;
  • Металлический передний нож + резиновый второй нож — комбинация, которая позволяет сначала срезать снега, затем подчищать остатки, минимизируя необходимость повторных проходов;
  • Твердость и износостойкость материалов, гидроцилиндры подъёма/опускания и поворота обеспечивают удобство управления и долговечность.
Компания торговый дом "УЗДМ" предлагает отвал Шторм-П с гарантией, возможностью адаптации под базовое шасси, доставкой по России и обслуживанием.
Получить предложение
Мы вам перезвоним!
Нужна консультация? Оставьте свой контакт, мы с вами свяжемся и ответим на вопросы!
Конфигуратор КДМ
Скачать каталог
Технические характеристики  отвала Шторм-П
Описание
Техничекие характеристики
Универсальный отвал Шторм-П с двумя ножами предназначен для эффективной очистки дорожного полотна городских территорий и поселений от снега. Применение отвала возможно на всех видах автодорог.

Отличительная технология отвала заключается в плавающем креплении ножей, что позволяет увеличить эффективность очистки дорожного полотна и предотвратить повреждение отвала при ударах о препятствия. Благодаря применению данной технологии отвал справляется с уборкой дорог с выраженной колеей и способен преодолевать препятствия высотой до 12 см на скорости до 40 км/ч. При наезде на препятствия одна или несколько секций подгибаются и затем самостоятельно возвращаются в исходное положение, защищая отвал от повреждений при ударе о препятствия.

Второй нож из износостойкой резины, установленный позади основного металлического ножа, позволяет увеличить эффективность уборки снега, подчищая его остатки после прохода первого ножа. Применение второго ножа регулируется гидроцилиндрами.
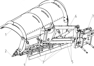
Рис. 1. Отвал универсальный Шторм-П
1 – лист отвала; 2 – передний нож; 3 – дополнительный ножи из износостойкой резины; 4 – гидроцилиндры подъема/опускания дополнительных ножей; 5 – гидроцилиндр подъема/опускания; 6 – гидроцилиндры поворота; 7 – монтажная плита

Для крепления отвала на переднюю часть рамы машины устанавливается дополнительные кронштейны с сохранением штатного бампера.
Отвал устанавливается на переднюю навеску автомобиля
Основные технические характеристики отвала Шторм-П
Высота отвала в транспортном положении, мм
1600
Длина отвала в транспортном положении, мм
4130
Ширина обрабатываемой полосы, м

до 3,6
Количество гидроцилиндров подъема/опускания, шт
1
Количество гидроцилиндров поворота, шт
2
Количество гидроцилиндров подъема/опускания ножей, шт
4
Угол поворота
45°
Скорость движения ТС во время работы, км/ч
до 60
Транспортная скорость, км/ч
80
Вес отвала, кг
1535
Описание
Тех. характеристики
Универсальный отвал Шторм-П с двумя ножами предназначен для эффективной очистки дорожного полотна городских территорий и поселений от снега. Применение отвала возможно на всех видах автодорог.

Отличительная технология отвала заключается в плавающем креплении ножей, что позволяет увеличить эффективность очистки дорожного полотна и предотвратить повреждение отвала при ударах о препятствия. Благодаря применению данной технологии отвал справляется с уборкой дорог с выраженной колеей и способен преодолевать препятствия высотой до 12 см на скорости до 40 км/ч. При наезде на препятствия одна или несколько секций подгибаются и затем самостоятельно возвращаются в исходное положение, защищая отвал от повреждений при ударе о препятствия.

Второй нож из износостойкой резины, установленный позади основного металлического ножа, позволяет увеличить эффективность уборки снега, подчищая его остатки после прохода первого ножа. Применение второго ножа регулируется гидроцилиндрами.


Отвал универсальный ШТОРМ-П представлен на рисунке 1.
Рис. 1. Отвал универсальный Шторм-П
1 – лист отвала; 2 – передний нож; 3 – дополнительный ножи из износостойкой резины; 4 – гидроцилиндры подъема/опускания дополнительных ножей; 5 – гидроцилиндр подъема/опускания; 6 – гидроцилиндры поворота; 7 – монтажная плита

Для крепления отвала на переднюю часть рамы машины устанавливается дополнительные кронштейны с сохранением штатного бампера.
Отвал устанавливается на переднюю навеску автомобиля
Основные технические характеристики отвала Шторм-П
Высота отвала в транспортном положении, мм
500
Длина отвала в транспортном положении, мм
3000
Ширина обрабатываемой полосы, м

2,8/3,3

Количество гидроцилиндров подъема/опускания
2
Ширина отвала в транспортном положении, мм
1600
Количество гидроцилиндров подъема/опускания, шт
2
Количество гидроцилиндров выдвижения
1
Угол поворота
25°
Скорость движения ТС во время работы, км/ч
до 40
Транспортная скорость, км/ч
60
Вес отвала, кг
424

Рекомендуем к приобретению

КДМ на базе самосвала Камаз 6520
КДМ на базе самосвала Камаз 6520 6x4

Щетка задняя ЩЗ-000.01

КДМ на базе шасси МАЗ 5340

Автогудронатор на базе шасси ГАЗон Некст

КДМ на базе шасси 43118

ОБЩЕСТВО С ОГРАНИЧЕННОЙ ОТВЕТСТВЕННОСТЬЮ
ТОРГОВЫЙ ДОМ "УРАЛЬСКИЙ ЗАВОД ДОРОЖНЫХ МАШИН"
ИНН: 4500000535 КПП:720301001 ОГРН:1224500001593
8 800 700-85-38
td-uzdm@bk.ru
Офис продаж в г. Курган:
ул. Дзержинского д. 31В
Как добраться
Офис продаж в г. Тюмень:
ул. Рационализаторов д. 20 стр. 3
Как добраться
Адрес производства:
г. Курган ул. Коли Мяготина, 6Б
Как добраться
Обратная связь
Перезвоним в течение 5 минут
Введите Имя и Фамилию
© ООО ТД  "УЗДМ", 2025. Сайт не является публичной офертой и носит информационный характер. Все материалы данного сайта являются объектами авторского права (в том числе дизайн). Запрещается копирование, распространение (в том числе путем копирования на другие сайты и ресурсы в Интернете) или любое иное использование информации и объектов без предварительного согласия правообладателя.